RY型離心式熱油泵
RY型離心式熱油泵

RY系列離心式熱油泵主要是為熱交換設備的應用而設計的。該泵性能優(yōu)良,結構合理,使用可靠。該泵適用于輸送不含固體顆粒的高溫導熱油。RY型離心式熱油泵符合Q/WB27-2013標準的規定。
泵的溫度適用范圍為:-20℃---350℃。
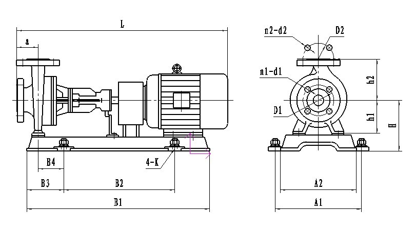
RY型熱油泵安裝尺寸
|
型號 |
A1 |
A2 |
B1 |
B2 |
B3 |
B4 |
a |
H |
h1 |
h2 |
D1 |
D2 |
n1-d2 |
n2-d2 |
K |
L |
|
20-20-100 |
210 |
185 |
445 |
270 |
90 |
62.5 |
52 |
123 |
80 |
100 |
75 |
75 |
4-Φ14 |
4-Φ14 |
Φ16 |
513 |
|
20-20-125 |
210 |
185 |
505 |
300 |
105 |
62.5 |
60 |
128 |
85 |
115 |
75 |
75 |
4-Φ14 |
4-Φ14 |
Φ16 |
580 |
|
32-32-160 |
240 |
220 |
605 |
380 |
110 |
55 |
75 |
180 |
120 |
130 |
100 |
100 |
4-Φ18 |
4-Φ18 |
Φ20 |
667 |
|
40-25-160 |
240 |
220 |
605 |
380 |
110 |
55 |
75 |
180 |
120 |
150 |
110 |
85 |
4-Φ18 |
4-Φ14 |
Φ20 |
695 |
|
50-32-160 |
308 |
275 |
760 |
500 |
125 |
58.5 |
80 |
207 |
132 |
160 |
125 |
100 |
4-Φ18 |
4-Φ18 |
Φ25 |
857 |
|
50-32-200 |
338 |
305 |
825 |
515 |
150 |
82.5 |
80 |
235 |
160 |
180 |
125 |
100 |
4-Φ18 |
4-Φ18 |
Φ25 |
952 |
|
50-32-200A |
308 |
275 |
778 |
500 |
125 |
58.5 |
80 |
235 |
160 |
180 |
125 |
100 |
4-Φ18 |
4-Φ18 |
Φ25 |
877 |
|
65-40-200 |
338 |
305 |
825 |
515 |
150 |
82.5 |
100 |
235 |
160 |
180 |
145 |
110 |
4-Φ18 |
4-Φ18 |
Φ25 |
972 |
|
80-50-200 |
390 |
360 |
940 |
600 |
158 |
90 |
100 |
240160 |
160 |
200 |
160 |
125 |
8-Φ18 |
4-Φ18 |
Φ25 |
1097 |
|
80-50-250A |
390 |
360 |
1075 |
650 |
205 |
125 |
125 |
270 |
180 |
225 |
160 |
125 |
8-Φ18 |
4-Φ18 |
Φ28 |
1230 |
|
80-50-250 |
420 |
385 |
1130 |
690 |
205 |
125 |
125 |
285 |
180 |
225 |
160 |
125 |
8-Φ18 |
4-Φ18 |
Φ28 |
1325 |
|
100-65-200 |
420 |
385 |
1130 |
690 |
205 |
125 |
100 |
285 |
180 |
225 |
180 |
145 |
8-Φ18 |
4-Φ18 |
Φ28 |
1300 |
|
125-80-200 |
460 |
430 |
1240 |
840 |
220 |
115 |
125 |
305 |
180 |
250 |
210 |
160 |
8-Φ18 |
8-Φ18 |
Φ28 |
1450 |
